| Starea de disponibilitate: | |
|---|---|
| Cantitate: | |
Un rulment sau slew [ing] inel este o rotație rulment cu element de rulare sau rulment simplu Acest lucru acceptă de obicei o sarcină grea, dar lentă sau care se ocupă lent, de multe ori o platformă orizontală, cum ar fi un convențional macara, A Swing Yardersau platforma orientată spre vânt a unei axe orizontale moara de vant. (La "slew " înseamnă a se întoarce fără schimbarea locului.)
În comparație cu alte rulmenți cu elemente de rulare, rulmenții de lingură sunt subțiri în secțiune și sunt adesea făcute în diametre de un metru sau mai mult; rulmenții care se înclină de pe Roata Falkirk au 4 metri diametru și se potrivesc peste un ax de 3,5 metri. Rulmenții care se aseamănă cu rulmenții de suprafață de control al aeronavelor supradimensionate.
Rulmenții care folosesc deseori folosesc două rânduri de elemente rulante. De multe ori folosesc trei rasă elemente, cum ar fi un inel interior și două inel exterior "jumătate " care se strâng axial.
Rulmenții de lingură sunt adesea realizate cu dinții de viteze integrale cu cursa interioară sau exterioară, folosite pentru a conduce platforma în raport cu baza.
În ceea ce privește alte rulmenți care reciprocă, în loc să se rotească continuu, lubrifierea poate fi dificilă. pană de ulei Construit într -un rulment rotativ continuu este perturbat de mișcarea de pornire a opririi. În schimb, a rulment hidrostatic se poate utiliza fluxul de ulei pompat.
Rulmentul cu bilă dublă, inelul de sicling are trei inele de scaun, bila de oțel și distanțierele pot fi aranjate direct în cursa superioară și inferioară, iar bila de oțel are două dimensiuni diferite.
Rulmentul cu bile diferite cu bilă, încărcăturile axiale și radiale ale inelului de slewing sunt relativ mari, este special potrivit pentru macarale cu diametru mediu, macarale montate pe camion etc.
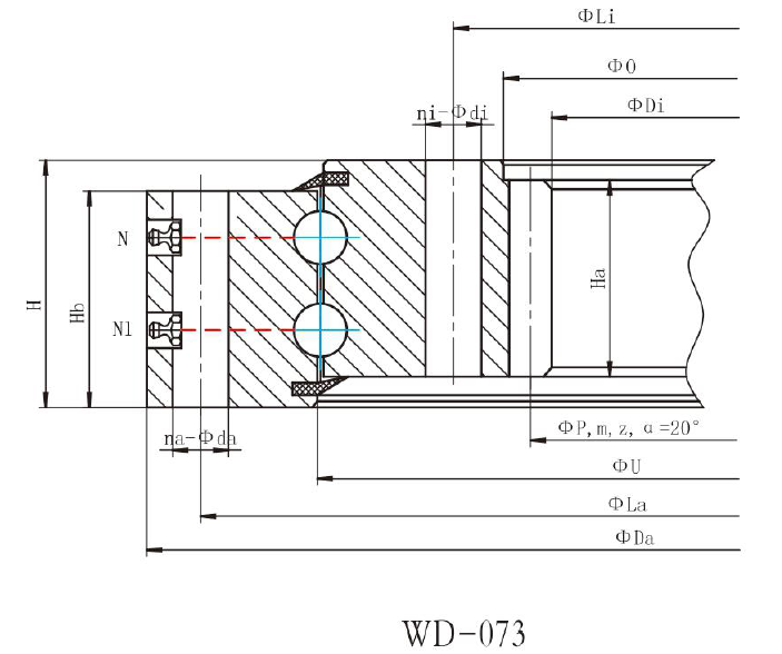
Model PDF.Format | Dimensiuni (mm) | Dimensiune de montare (mm) | |||||||||||
| Da | O | U | Di | Ha | HB | H | La | N / A | da | Li | NI | DI | |
WD-073.22.0916.pdf | 1010 | 822 | 918 | 786 | 80 | 88 | 98 | 974 | 36 | 18 | 858 | 36 | 18 |
WD-073.25.1105.pdf | 1202 | 1008 | 1115 | 962 | 88 | 98 | 110 | 1166 | 36 | 18 | 1044 | 36 | 18 |
WD-073.30.1220.pdf | 1332 | 1108 | 1222 | 1062 | 98 | 110 | 120 | 1290 | 48 | 22 | 1150 | 48 | 22 |
WD-073.30.1593.pdf | 1713 | 1473 | 1595 | 1418.4 | 98 | 110 | 120 | 1667 | 48 | 26 | 1519 | 48 | 26 |
| Model | Date de viteză | Forța de viteze (KN) | Greutate | |||
| P (mm) | Modul | Z (dinții nr.) | Permis | Max | Kg | |
| WD-073.22.0196 | 800 | 8 | 100 | 36.2 | 72.4 | 194 |
| WD-073.25.1105 | 980 | 10 | 98 | 45 | 90 | 297 |
| WD-073.30.1220 | 1080 | 10 | 108 | 68.9 | 137.8 | 387 |
| WD-073.30.1593 | 1440 | 12 | 120 | 92 | 184 | 549 |
Un rulment sau slew [ing] inel este o rotație rulment cu element de rulare sau rulment simplu Acest lucru acceptă de obicei o sarcină grea, dar lentă sau care se ocupă lent, de multe ori o platformă orizontală, cum ar fi un convențional macara, A Swing Yardersau platforma orientată spre vânt a unei axe orizontale moara de vant. (La "slew " înseamnă a se întoarce fără schimbarea locului.)
În comparație cu alte rulmenți cu elemente de rulare, rulmenții de lingură sunt subțiri în secțiune și sunt adesea făcute în diametre de un metru sau mai mult; rulmenții care se înclină de pe Roata Falkirk au 4 metri diametru și se potrivesc peste un ax de 3,5 metri. Rulmenții care se aseamănă cu rulmenții de suprafață de control al aeronavelor supradimensionate.
Rulmenții care folosesc deseori folosesc două rânduri de elemente rulante. De multe ori folosesc trei rasă elemente, cum ar fi un inel interior și două inel exterior "jumătate " care se strâng axial.
Rulmenții de lingură sunt adesea realizate cu dinții de viteze integrale cu cursa interioară sau exterioară, folosite pentru a conduce platforma în raport cu baza.
În ceea ce privește alte rulmenți care reciprocă, în loc să se rotească continuu, lubrifierea poate fi dificilă. pană de ulei Construit într -un rulment rotativ continuu este perturbat de mișcarea de pornire a opririi. În schimb, a rulment hidrostatic se poate utiliza fluxul de ulei pompat.
Rulmentul cu bilă dublă, inelul de sicling are trei inele de scaun, bila de oțel și distanțierele pot fi aranjate direct în cursa superioară și inferioară, iar bila de oțel are două dimensiuni diferite.
Rulmentul cu bile diferite cu bilă, încărcăturile axiale și radiale ale inelului de slewing sunt relativ mari, este special potrivit pentru macarale cu diametru mediu, macarale montate pe camion etc.
Model PDF.Format | Dimensiuni (mm) | Dimensiune de montare (mm) | |||||||||||
| Da | O | U | Di | Ha | HB | H | La | N / A | da | Li | NI | DI | |
WD-073.22.0916.pdf | 1010 | 822 | 918 | 786 | 80 | 88 | 98 | 974 | 36 | 18 | 858 | 36 | 18 |
WD-073.25.1105.pdf | 1202 | 1008 | 1115 | 962 | 88 | 98 | 110 | 1166 | 36 | 18 | 1044 | 36 | 18 |
WD-073.30.1220.pdf | 1332 | 1108 | 1222 | 1062 | 98 | 110 | 120 | 1290 | 48 | 22 | 1150 | 48 | 22 |
WD-073.30.1593.pdf | 1713 | 1473 | 1595 | 1418.4 | 98 | 110 | 120 | 1667 | 48 | 26 | 1519 | 48 | 26 |
| Model | Date de viteză | Forța de viteze (KN) | Greutate | |||
| P (mm) | Modul | Z (dinții nr.) | Permis | Max | Kg | |
| WD-073.22.0196 | 800 | 8 | 100 | 36.2 | 72.4 | 194 |
| WD-073.25.1105 | 980 | 10 | 98 | 45 | 90 | 297 |
| WD-073.30.1220 | 1080 | 10 | 108 | 68.9 | 137.8 | 387 |
| WD-073.30.1593 | 1440 | 12 | 120 | 92 | 184 | 549 |
Acasă | Despre noi | Produse | Știri | cerere | A sustine | Contacteaza-ne
