| Starea de disponibilitate: | |
|---|---|
| Cantitate: | |
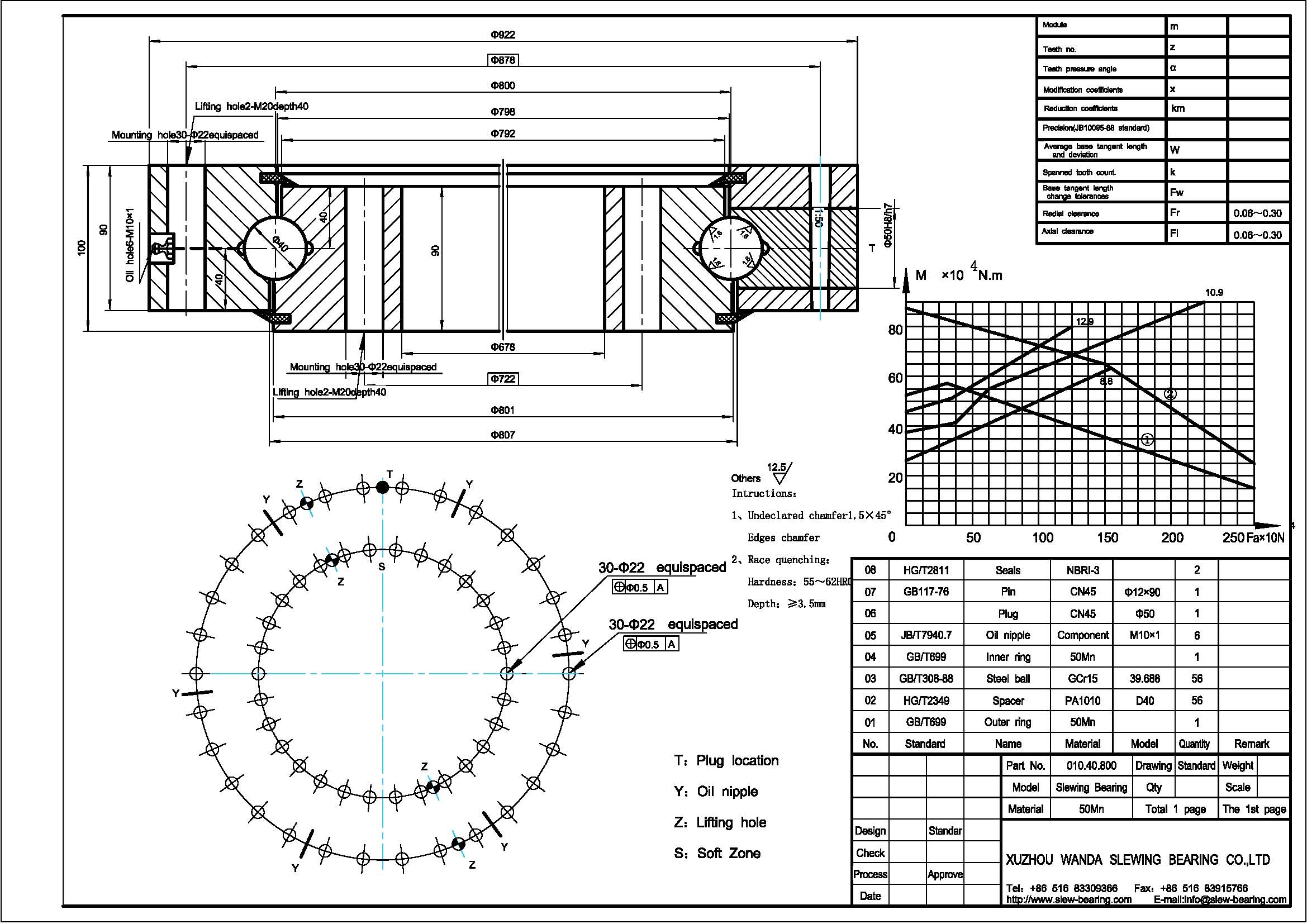
010.40.800
XZWD
8482800000
Rulmentul de lovire este articulația mașinii de distribuție, iar rotația mașinii de distribuție este realizată de rulmentul de lovire.
Când se folosește mașina, aceasta va suporta forța axială și relativ mare Momentul răsturnării. Când funcționează, va exista încărcare de impact și Sloshing. Când se aplică betonul, acesta va fi sputter pe rulment de lovire. Condiția generală de lucru este relativ proastă. Dacă Slurry din beton intră în șina de rulment, va provoca, de asemenea, Rulmentul care să fie blocat. Prin urmare, atunci când selectați Slewing Model de rulment, sunt necesari parametrii complete de date. Xuzhou Wanda Slewing Warsle CO., Ltd Departamentul de tehnologie va selecta rulment adecvat în conformitate cu cerințele pentru a asigura calitate. În același timp, reduceți costurile clienților și obțineți un Rezultatul câștig-câștig.
Rulmentul de lovire 010.40.800 produs de Xuzhou Wanda Slewing Warging Co., Ltd. este utilizat pe scară largă pe distribuitorul de beton de tip manual, iar feedback -ul pieței este foarte bun; Rulmentul de lovire 012.30.710 a obținut, de asemenea, rezultate bune la distribuitorul de beton de tip fix.
Desenul pentru 010.40.800:
Dacă aveți vreo cerere, vă rugăm să ne trimiteți e -mail. Am putea să vă trimitem mult mai multe detalii și să vă oferim preț.
Rulmentul de lovire este articulația mașinii de distribuție, iar rotația mașinii de distribuție este realizată de rulmentul de lovire.
Când se folosește mașina, aceasta va suporta forța axială și relativ mare Momentul răsturnării. Când funcționează, va exista încărcare de impact și Sloshing. Când se aplică betonul, acesta va fi sputter pe rulment de lovire. Condiția generală de lucru este relativ proastă. Dacă Slurry din beton intră în șina de rulment, va provoca, de asemenea, Rulmentul care să fie blocat. Prin urmare, atunci când selectați Slewing Model de rulment, sunt necesari parametrii complete de date. Xuzhou Wanda Slewing Warsle CO., Ltd Departamentul de tehnologie va selecta rulment adecvat în conformitate cu cerințele pentru a asigura calitate. În același timp, reduceți costurile clienților și obțineți un Rezultatul câștig-câștig.
Rulmentul de lovire 010.40.800 produs de Xuzhou Wanda Slewing Warging Co., Ltd. este utilizat pe scară largă pe distribuitorul de beton de tip manual, iar feedback -ul pieței este foarte bun; Rulmentul de lovire 012.30.710 a obținut, de asemenea, rezultate bune la distribuitorul de beton de tip fix.
Desenul pentru 010.40.800:
Dacă aveți vreo cerere, vă rugăm să ne trimiteți e -mail. Am putea să vă trimitem mult mai multe detalii și să vă oferim preț.
Acasă | Despre noi | Produse | Știri | cerere | A sustine | Contacteaza-ne
