| Starea de disponibilitate: | |
|---|---|
| Cantitate: | |
Un rulment sau slew [ing] inel este o rotație rulment cu element de rulare sau rulment simplu Acest lucru acceptă de obicei o sarcină grea, dar lentă sau care se ocupă lent, de multe ori o platformă orizontală, cum ar fi un convențional macara, A Swing Yardersau platforma orientată spre vânt a unei axe orizontale moara de vant. (La "slew " înseamnă a se întoarce fără schimbarea locului.)
În comparație cu alte rulmenți cu elemente de rulare, rulmenții de lingură sunt subțiri în secțiune și sunt adesea făcute în diametre de un metru sau mai mult; rulmenții care se înclină de pe Roata Falkirk au 4 metri diametru și se potrivesc peste un ax de 3,5 metri. Rulmenții care se aseamănă cu rulmenții de suprafață de control al aeronavelor supradimensionate.
Rulmenții care folosesc deseori folosesc două rânduri de elemente rulante. De multe ori folosesc trei rasă elemente, cum ar fi un inel interior și două inel exterior "jumătate " care se strâng axial.
Rulmenții de lingură sunt adesea realizate cu dinții de viteze integrale cu cursa interioară sau exterioară, folosite pentru a conduce platforma în raport cu baza.
În ceea ce privește alte rulmenți care reciprocă, în loc să se rotească continuu, lubrifierea poate fi dificilă. pană de ulei Construit într -un rulment rotativ continuu este perturbat de mișcarea de pornire a opririi. În schimb, a rulment hidrostatic se poate utiliza fluxul de ulei pompat.
Rulmentul de încrucișare cu un singur rând, este compus din două scaune, structură compactă, precizie ridicată, gardă de asamblare mică, pentru cerința de precizie a instalării este mare, rola de 1: 1 aranjată, poate suporta forța axială în același timp, răsturnarea răsturnării Momentul și forța radială mare, este utilizată pe scară largă pentru transportul, mașinile de inginerie și produsele militare.

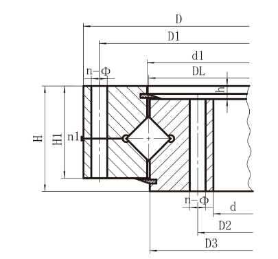
Nu | Model PDF.Format | Dimensions | Dimensiune de montare | Dimensiunea structurală | Greutate kg | |||||||||
D | d | H | D1 | D2 | n | mm | N1 | D3 | D1 | H1 | h | |||
1 | HJB.20.625 | 725 | 525 | 80 | 685 | 565 | 18 | 18 | 3 | 627 | 623 | 68 | 12 | 100 |
2 | HJB.20.720 | 820 | 620 | 80 | 780 | 660 | 18 | 18 | 3 | 722 | 718 | 68 | 12 | 120 |
3 | HJB.30.820 | 940 | 705 | 95 | 893 | 749 | 24 | 20 | 4 | 822 | 818 | 83 | 12 | 210 |
4 | HJB.30.880 | 1000 | 760 | 95 | 956 | 800 | 24 | 20 | 4 | 882 | 878 | 83 | 12 | 230 |
5 | HJB.30.1020 | 1170 | 875 | 95 | 1120 | 930 | 24 | 22 | 4 | 1022 | 1018 | 80 | 15 | 300 |
6 | HJB.36.1220 | 1365 | 1075 | 120 | 1310 | 1130 | 36 | 24 | 6 | 1222 | 1218 | 105 | 15 | 450 |
7 | HJB.36.1250 | 1400 | 1090 | 120 | 1350 | 1150 | 36 | 26 | 6 | 1252 | 1248 | 105 | 15 | 520 |
8 | HJB.36.1435 | 1595 | 1278 | 120 | 1535 | 1335 | 36 | 26 | 6 | 1437 | 1433 | 105 | 15 | 610 |
9 | HJB.45.1540 | 1720 | 1360 | 140 | 1660 | 1420 | 42 | 26 | 6 | 1543 | 4537 | 122 | 18 | 732 |
10 | HJB.45.1700 | 1875 | 1525 | 140 | 1815 | 1585 | 42 | 29 | 6 | 1703 | 1697 | 122 | 18 | 844 |
11 | HJB.45.1880 | 2100 | 1665 | 160 | 2030 | 1740 | 48 | 32 | 6 | 1883 | 1876 | 140 | 20 | 1400 |
12 | HJB.45.2115 | 2325 | 1900 | 160 | 2245 | 1980 | 48 | 32 | 6 | 2118 | 2112 | 140 | 20 | 1600 |
13 | HJB.45.2370 | 2600 | 2146 | 180 | 2520 | 2220 | 48 | 32 | 6 | 2373 | 2367 | 158 | 22 | 2100 |
Un rulment sau slew [ing] inel este o rotație rulment cu element de rulare sau rulment simplu Acest lucru acceptă de obicei o sarcină grea, dar lentă sau care se ocupă lent, de multe ori o platformă orizontală, cum ar fi un convențional macara, A Swing Yardersau platforma orientată spre vânt a unei axe orizontale moara de vant. (La "slew " înseamnă a se întoarce fără schimbarea locului.)
În comparație cu alte rulmenți cu elemente de rulare, rulmenții de lingură sunt subțiri în secțiune și sunt adesea făcute în diametre de un metru sau mai mult; rulmenții care se înclină de pe Roata Falkirk au 4 metri diametru și se potrivesc peste un ax de 3,5 metri. Rulmenții care se aseamănă cu rulmenții de suprafață de control al aeronavelor supradimensionate.
Rulmenții care folosesc deseori folosesc două rânduri de elemente rulante. De multe ori folosesc trei rasă elemente, cum ar fi un inel interior și două inel exterior "jumătate " care se strâng axial.
Rulmenții de lingură sunt adesea realizate cu dinții de viteze integrale cu cursa interioară sau exterioară, folosite pentru a conduce platforma în raport cu baza.
În ceea ce privește alte rulmenți care reciprocă, în loc să se rotească continuu, lubrifierea poate fi dificilă. pană de ulei Construit într -un rulment rotativ continuu este perturbat de mișcarea de pornire a opririi. În schimb, a rulment hidrostatic se poate utiliza fluxul de ulei pompat.
Rulmentul de încrucișare cu un singur rând, este compus din două scaune, structură compactă, precizie ridicată, gardă de asamblare mică, pentru cerința de precizie a instalării este mare, rola de 1: 1 aranjată, poate suporta forța axială în același timp, răsturnarea răsturnării Momentul și forța radială mare, este utilizată pe scară largă pentru transportul, mașinile de inginerie și produsele militare.

Nu | Model PDF.Format | Dimensions | Dimensiune de montare | Dimensiunea structurală | Greutate kg | |||||||||
D | d | H | D1 | D2 | n | mm | N1 | D3 | D1 | H1 | h | |||
1 | HJB.20.625 | 725 | 525 | 80 | 685 | 565 | 18 | 18 | 3 | 627 | 623 | 68 | 12 | 100 |
2 | HJB.20.720 | 820 | 620 | 80 | 780 | 660 | 18 | 18 | 3 | 722 | 718 | 68 | 12 | 120 |
3 | HJB.30.820 | 940 | 705 | 95 | 893 | 749 | 24 | 20 | 4 | 822 | 818 | 83 | 12 | 210 |
4 | HJB.30.880 | 1000 | 760 | 95 | 956 | 800 | 24 | 20 | 4 | 882 | 878 | 83 | 12 | 230 |
5 | HJB.30.1020 | 1170 | 875 | 95 | 1120 | 930 | 24 | 22 | 4 | 1022 | 1018 | 80 | 15 | 300 |
6 | HJB.36.1220 | 1365 | 1075 | 120 | 1310 | 1130 | 36 | 24 | 6 | 1222 | 1218 | 105 | 15 | 450 |
7 | HJB.36.1250 | 1400 | 1090 | 120 | 1350 | 1150 | 36 | 26 | 6 | 1252 | 1248 | 105 | 15 | 520 |
8 | HJB.36.1435 | 1595 | 1278 | 120 | 1535 | 1335 | 36 | 26 | 6 | 1437 | 1433 | 105 | 15 | 610 |
9 | HJB.45.1540 | 1720 | 1360 | 140 | 1660 | 1420 | 42 | 26 | 6 | 1543 | 4537 | 122 | 18 | 732 |
10 | HJB.45.1700 | 1875 | 1525 | 140 | 1815 | 1585 | 42 | 29 | 6 | 1703 | 1697 | 122 | 18 | 844 |
11 | HJB.45.1880 | 2100 | 1665 | 160 | 2030 | 1740 | 48 | 32 | 6 | 1883 | 1876 | 140 | 20 | 1400 |
12 | HJB.45.2115 | 2325 | 1900 | 160 | 2245 | 1980 | 48 | 32 | 6 | 2118 | 2112 | 140 | 20 | 1600 |
13 | HJB.45.2370 | 2600 | 2146 | 180 | 2520 | 2220 | 48 | 32 | 6 | 2373 | 2367 | 158 | 22 | 2100 |
Acasă | Despre noi | Produse | Știri | cerere | A sustine | Contacteaza-ne
