| Starea de disponibilitate: | |
|---|---|
| Cantitate: | |
011.45.1600
XZWD
8482800000
Bilele se rostogolesc pe cursa circulară în patru puncte, astfel încât să poată întreprinde forța axială, forța radială și momentul de basculare în același timp. Această serie de rulmenți cu bile de contact cu patru puncte sunt potrivite în multe utilaje de inginerie, cum ar fi macara turn, rotativă transportor, mașină de operare de sudare, macarale mici, excavatoare mici și mijlocii și așa mai departe.
Contact cu patru puncte Aplicarea inelului cu bilă în macarale este una de sarcină importantă Piese de susținere pe o macara. Este conectat cu sudura de masă cu linguriță de structură și încărcări complexe. Cu metoda elementului finit ca instrument, a Modelul calculului elementelor finite este configurat pentru o mulțime de puncte Inelul macaralei de camion și al rezistenței structurale și al analizei rigidității sunt condus pe ea.
Calitatea și precizia producției noastre este cheia pentru a asigura o funcționare bună după multe operațiuni de demontare a macaralei. Putem furniza diverse tipuri de aplicare a macaralei. Rulmenții noștri sunt furnizați pentru încărcătoarele de nave pentru a încărca și a încărca diverse mărfuri. Acesta este utilizat pe scară largă în macarale nave, macarale portuare, macarale offshore, macarale portal etc.
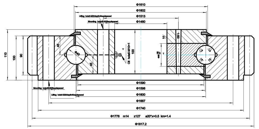
Mai jos vă rugăm să găsiți dimensiunile detaliate ale acestui model:
Orice întrebare sau anchetă, vă rugăm să ne contactați.
Bilele se rostogolesc pe cursa circulară în patru puncte, astfel încât să poată întreprinde forța axială, forța radială și momentul de basculare în același timp. Această serie de rulmenți cu bile de contact cu patru puncte sunt potrivite în multe utilaje de inginerie, cum ar fi macara turn, rotativă transportor, mașină de operare de sudare, macarale mici, excavatoare mici și mijlocii și așa mai departe.
Contact cu patru puncte Aplicarea inelului cu bilă în macarale este una de sarcină importantă Piese de susținere pe o macara. Este conectat cu sudura de masă cu linguriță de structură și încărcări complexe. Cu metoda elementului finit ca instrument, a Modelul calculului elementelor finite este configurat pentru o mulțime de puncte Inelul macaralei de camion și al rezistenței structurale și al analizei rigidității sunt condus pe ea.
Calitatea și precizia producției noastre este cheia pentru a asigura o funcționare bună după multe operațiuni de demontare a macaralei. Putem furniza diverse tipuri de aplicare a macaralei. Rulmenții noștri sunt furnizați pentru încărcătoarele de nave pentru a încărca și a încărca diverse mărfuri. Acesta este utilizat pe scară largă în macarale nave, macarale portuare, macarale offshore, macarale portal etc.
Mai jos vă rugăm să găsiți dimensiunile detaliate ale acestui model:
Orice întrebare sau anchetă, vă rugăm să ne contactați.
Acasă | Despre noi | Produse | Știri | cerere | A sustine | Contacteaza-ne
