| Starea de disponibilitate: | |
|---|---|
| Cantitate: | |
A rulment de lovire sau Culmură [ing] inel este o rotațierulment cu element de rulare sau rulment simplu Acest lucru acceptă de obicei o sarcină grea, dar lentă sau care se ocupă lent, de multe ori o platformă orizontală, cum ar fi un convențional macara, A Swing Yardersau platforma orientată spre vânt a unei axe orizontale moara de vant. (La "slew " înseamnă a se întoarce fără schimbarea locului.)
În comparație cu alte rulmenți cu elemente de rulare, rulmenții de lingură sunt subțiri în secțiune și sunt adesea făcute în diametre de un metru sau mai mult; rulmenții care se înclină de pe Roata Falkirk au 4 metri diametru și se potrivesc peste un ax de 3,5 metri. Rulmenții care se aseamănă cu rulmenții de suprafață de control al aeronavelor supradimensionate.
Rulmenții care folosesc deseori folosesc două rânduri de elemente rulante. De multe ori folosesc trei rasă elemente, cum ar fi un inel interior și două inel exterior "jumătate " care se strâng axial.
Rulmenții delicioși sunt adesea făcuți cu dinți de viteze integrale cu rasa interioară sau exterioară, Folosit pentru a conduce platforma în raport cu baza.
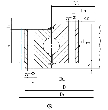
NU. | Model | Dimensiuni (mm) | Dimensiuni de montare (mm) | Structural Dimensiune (mm) | Date de viteză | ||||||||||||
Echipament extern | H | Du | DN | n | Prin gaură A | Filetat gaură B/c/d | N1 Ulei ceașcă Qty | h | B | m | x = -0.5 | ||||||
De | Angrenaj Qty z | Greutate | |||||||||||||||
D | d | φ | D1 | T | |||||||||||||
mm | mm | mm | mm | kg | |||||||||||||
1 | QW.315.20 | 406 | 222 | 60 | 370 | 260 | 10 | 17 | M16 | 24 | 2 | 10 | 40 | 3 | 423 | 140 | 35 |
QW.315.20a | 4 | 428 | 106 | 36 | |||||||||||||
2 | QW.355.20 | 446 | 262 | 60 | 410 | 300 | 10 | 17 | M16 | 24 | 2 | 10 | 40 | 3 | 462 | 153 | 40 |
QW.355.20a | 4 | 468 | 116 | 41 | |||||||||||||
3 | QW.400.20 | 490 | 307 | 60 | 455 | 345 | 12 | 17 | M16 | 24 | 2 | 10 | 40 | 4 | 512 | 127 | 45 |
QW.400.20A | 5 | 520 | 103 | 47 | |||||||||||||
4 | QW.450.20 | 540 | 357 | 60 | 505 | 395 | 12 | 17 | M16 | 24 | 2 | 10 | 40 | 4 | 564 | 140 | 51 |
QW.450.20A | 5 | 570 | 113 | 53 | |||||||||||||
5 | QW.500.20 | 590 | 407 | 60 | 555 | 445 | 14 | 17 | M16 | 24 | 2 | 10 | 40 | 5 | 615 | 122 | 56 |
QW.500.20A | 6 | 624 | 103 | 58 | |||||||||||||
6 | QW.560.20 | 654 | 464 | 70 | 618 | 502 | 14 | 17 | M16 | 30 | 2 | 10 | 50 | 4 | 680 | 169 | 78 |
QW.560.20A | 5 | 685 | 136 | 79 | |||||||||||||
7 | QW.630.20 | 724 | 534 | 70 | 688 | 572 | 16 | 17 | M16 | 30 | 2 | 10 | 50 | 4 | 748 | 186 | 86 |
QW.630.20A | 5 | 755 | 150 | 88 | |||||||||||||
8 | QW.710.20 | 804 | 614 | 70 | 768 | 652 | 18 | 17 | M16 | 30 | 2 | 10 | 50 | 5 | 835 | 166 | 99 |
QW.710.20a | 6 | 840 | 139 | 101 | |||||||||||||
9 | QW.800.20 | 894 | 704 | 70 | 858 | 742 | 20 | 17 | M16 | 30 | 2 | 10 | 50 | 6 | 930 | 154 | 114 |
QW.800.20A | 8 | 936 | 116 | 114 | |||||||||||||
10 | QW.800.25 | 904 | 692 | 78 | 864 | 736 | 18 | 22 | M20 | 36 | 2 | 10 | 58 | 6 | 942 | 156 | 143 |
QW.800.25A | 8 | 952 | 118 | 147 | |||||||||||||
11 | QW.900.25 | 1004 | 792 | 78 | 964 | 836 | 20 | 22 | M20 | 36 | 2 | 10 | 58 | 8 | 1048 | 130 | 162 |
QW.900.25A | 10 | 1060 | 105 | 168 | |||||||||||||
12 | QW.1000.25 | 1104 | 892 | 78 | 1064 | 936 | 24 | 22 | M20 | 36 | 2 | 10 | 58 | 8 | 1152 | 143 | 182 |
QW.1000.25A | 10 | 1160 | 115 | 185 | |||||||||||||
13 | QW.1000.32 | 1120 | 876 | 90 | 1074 | 926 | 24 | 24 | M22 | 40 | 2 | 10 | 70 | 8 | 1160 | 144 | 227 |
QW.1000.32A | 10 | 1170 | 116 | 232 | |||||||||||||
14 | QW.1120.32 | 1240 | 996 | 90 | 1194 | 1046 | 28 | 24 | M22 | 40 | 4 | 10 | 70 | 10 | 1300 | 129 | 272 |
QW.1120.32a | 12 | 1308 | 108 | 275 | |||||||||||||
15 | QW.1250.32 | 1370 | 1126 | 90 | 1324 | 1176 | 32 | 24 | M22 | 40 | 4 | 10 | 70 | 10 | 1430 | 142 | 302 |
QW.1250.32A | 12 | 1440 | 119 | 309 | |||||||||||||
16 | QW.1400.32 | 1520 | 1276 | 90 | 1474 | 1326 | 36 | 24 | M22 | 40 | 4 | 10 | 70 | 12 | 1584 | 131 | 337 |
QW.1400.32A | 14 | 1596 | 113 | 347 | |||||||||||||
17 | QW.1250.40 | 1390 | 1108 | 102 | 1336 | 1164 | 32 | 26 | M24 | 45 | 4 | 12 | 80 | 10 | 1450 | 144 | 396 |
QW.1250.40A | 12 | 1452 | 120 | 392 | |||||||||||||
18 | QW.1400.40 | 1540 | 1258 | 102 | 1486 | 1314 | 36 | 26 | M24 | 45 | 4 | 12 | 80 | 12 | 1608 | 133 | 448 |
QW.1400.40A | 14 | 1610 | 114 | 443 | |||||||||||||
19 | QW.1600.40 | 1740 | 1458 | 102 | 1686 | 1514 | 40 | 26 | M24 | 45 | 4 | 12 | 80 | 12 | 1812 | 150 | 528 |
QW.1600.40A | 14 | 1820 | 129 | 534 | |||||||||||||
20 | QW.1800.40 | 1940 | 1658 | 102 | 1886 | 1714 | 44 | 26 | M24 | 45 | 4 | 12 | 80 | 14 | 2016 | 143 | 583 |
QW.1800.40A | 16 | 2032 | 126 | 607 | |||||||||||||
21 | QW.1600.50 | 1762 | 1434 | 124 | 1704 | 1496 | 40 | 30 | M27 | 50 | 4 | 12 | 100 | 12 | 1824 | 151 | 714 |
QW.1600.50A | 14 | 1834 | 130 | 727 | |||||||||||||
22 | QW.1800.50 | 1964 | 1634 | 124 | 1904 | 1696 | 44 | 30 | M27 | 50 | 4 | 12 | 100 | 14 | 2044 | 145 | 845 |
QW.1800.50A | 16 | 2048 | 127 | 843 | |||||||||||||
23 | QW.2000.50 | 2162 | 1834 | 124 | 2104 | 1896 | 48 | 30 | M27 | 50 | 6 | 12 | 100 | 16 | 2240 | 139 | 912 |
QW.2000.50A | 18 | 2250 | 124 | 927 | |||||||||||||
24 | QW.2240.50 | 2402 | 2074 | 124 | 2344 | 2136 | 54 | 30 | M27 | 50 | 6 | 12 | 100 | 16 | 2480 | 154 | 1020 |
QW.2240.50a | 18 | 2502 | 138 | 1078 | |||||||||||||
25 | QW.2500.50 | 2662 | 2334 | 124 | 2604 | 2396 | 60 | 30 | M27 | 50 | 6 | 12 | 100 | 18 | 2754 | 152 | 1171 |
QW.2500.50A | 20 | 2760 | 137 | 1175 | |||||||||||||
26 | QW.2500.60 | 2696 | 2304 | 150 | 2626 | 2374 | 60 | 33 | M30 | 56 | 6 | 14 | 122 | 18 | 2790 | 154 | 1677 |
QW.2500.60A | 20 | 2800 | 139 | 1701 | |||||||||||||
Notă:
1. N1 este numărul de găuri lubrifiante. Cupa de ulei M10 × 1JB/T7940.1 ~ JB/T7940.
2. Sfarcul uleiului Locația poate fi modificată în funcție de aplicația utilizatorului.
3. N-φ se poate schimba în gaura tapetată, diametrul găurii atinse este m, iar adâncimea este de 2m.
4. Forța tangențială a dintelui sub formă este forța maximă a dinților; Forța nominală a dinților tangențiale este 1/2 din cea maximă.
5. "k " este coeficientul de reducere a addendumului.
Avantajele noastre:
Tehnologia Germaniei și făcută în china cu o calitate bună și preț competitiv;
Experiență bogată în OEM și ODM;
livrare stabilă și rapidă;
Serviciul după vânzare prompt și responsabil;
Certificat de ISO9001: 2008, SGS, CCS și BV.
Ambalaje și transport
1. Fuilarea cu ulei rezistent la rugină
2. Pachetul cu straturi de protecție
3.Fixat în placaj
4. Termeni de ambalare: caz de placaj/ Cadru de palet/oțel
FAQ
1.Slewing poartă tratament termic
Rulmenții companiei XZWD sunt în majoritatea cazurilor furnizate cu dinte Spur. Dintii de ciot sunt, de asemenea, ok. Există două tipuri de întărire a dinților. Ele normalizează și temperează, în funcție de diferitele aplicații, există două moduri de stingere. Sunt stingerea dinților întregi și stingerea cu un singur dinți. Stingerea cu un singur dinți poate fi împărțită în suprafața dinților și stingerea rădăcinii și stingerea suprafeței dinților.
2. Protecția împotriva coroziunii
Facem Protecția împotriva coroziunii pe suprafața rulmentului și faceți cuplu de hârtie de ambalare.
3.Customizează.
Da, avem profesionist termeni tehnici.
4.Warranty:
General 1 an.
5. Reputație fiabilă.
XZWD Slewing Rulment/Slewing Drive Oferă soluții personalizate pentru clienții din 34 de țări.
A rulment de lovire sau Culmură [ing] inel este o rotațierulment cu element de rulare sau rulment simplu Acest lucru acceptă de obicei o sarcină grea, dar lentă sau care se ocupă lent, de multe ori o platformă orizontală, cum ar fi un convențional macara, A Swing Yardersau platforma orientată spre vânt a unei axe orizontale moara de vant. (La "slew " înseamnă a se întoarce fără schimbarea locului.)
În comparație cu alte rulmenți cu elemente de rulare, rulmenții de lingură sunt subțiri în secțiune și sunt adesea făcute în diametre de un metru sau mai mult; rulmenții care se înclină de pe Roata Falkirk au 4 metri diametru și se potrivesc peste un ax de 3,5 metri. Rulmenții care se aseamănă cu rulmenții de suprafață de control al aeronavelor supradimensionate.
Rulmenții care folosesc deseori folosesc două rânduri de elemente rulante. De multe ori folosesc trei rasă elemente, cum ar fi un inel interior și două inel exterior "jumătate " care se strâng axial.
Rulmenții delicioși sunt adesea făcuți cu dinți de viteze integrale cu rasa interioară sau exterioară, Folosit pentru a conduce platforma în raport cu baza.
NU. | Model | Dimensiuni (mm) | Dimensiuni de montare (mm) | Structural Dimensiune (mm) | Date de viteză | ||||||||||||
Echipament extern | H | Du | DN | n | Prin gaură A | Filetat gaură B/c/d | N1 Ulei ceașcă Qty | h | B | m | x = -0.5 | ||||||
De | Angrenaj Qty z | Greutate | |||||||||||||||
D | d | φ | D1 | T | |||||||||||||
mm | mm | mm | mm | kg | |||||||||||||
1 | QW.315.20 | 406 | 222 | 60 | 370 | 260 | 10 | 17 | M16 | 24 | 2 | 10 | 40 | 3 | 423 | 140 | 35 |
QW.315.20a | 4 | 428 | 106 | 36 | |||||||||||||
2 | QW.355.20 | 446 | 262 | 60 | 410 | 300 | 10 | 17 | M16 | 24 | 2 | 10 | 40 | 3 | 462 | 153 | 40 |
QW.355.20a | 4 | 468 | 116 | 41 | |||||||||||||
3 | QW.400.20 | 490 | 307 | 60 | 455 | 345 | 12 | 17 | M16 | 24 | 2 | 10 | 40 | 4 | 512 | 127 | 45 |
QW.400.20A | 5 | 520 | 103 | 47 | |||||||||||||
4 | QW.450.20 | 540 | 357 | 60 | 505 | 395 | 12 | 17 | M16 | 24 | 2 | 10 | 40 | 4 | 564 | 140 | 51 |
QW.450.20A | 5 | 570 | 113 | 53 | |||||||||||||
5 | QW.500.20 | 590 | 407 | 60 | 555 | 445 | 14 | 17 | M16 | 24 | 2 | 10 | 40 | 5 | 615 | 122 | 56 |
QW.500.20A | 6 | 624 | 103 | 58 | |||||||||||||
6 | QW.560.20 | 654 | 464 | 70 | 618 | 502 | 14 | 17 | M16 | 30 | 2 | 10 | 50 | 4 | 680 | 169 | 78 |
QW.560.20A | 5 | 685 | 136 | 79 | |||||||||||||
7 | QW.630.20 | 724 | 534 | 70 | 688 | 572 | 16 | 17 | M16 | 30 | 2 | 10 | 50 | 4 | 748 | 186 | 86 |
QW.630.20A | 5 | 755 | 150 | 88 | |||||||||||||
8 | QW.710.20 | 804 | 614 | 70 | 768 | 652 | 18 | 17 | M16 | 30 | 2 | 10 | 50 | 5 | 835 | 166 | 99 |
QW.710.20a | 6 | 840 | 139 | 101 | |||||||||||||
9 | QW.800.20 | 894 | 704 | 70 | 858 | 742 | 20 | 17 | M16 | 30 | 2 | 10 | 50 | 6 | 930 | 154 | 114 |
QW.800.20A | 8 | 936 | 116 | 114 | |||||||||||||
10 | QW.800.25 | 904 | 692 | 78 | 864 | 736 | 18 | 22 | M20 | 36 | 2 | 10 | 58 | 6 | 942 | 156 | 143 |
QW.800.25A | 8 | 952 | 118 | 147 | |||||||||||||
11 | QW.900.25 | 1004 | 792 | 78 | 964 | 836 | 20 | 22 | M20 | 36 | 2 | 10 | 58 | 8 | 1048 | 130 | 162 |
QW.900.25A | 10 | 1060 | 105 | 168 | |||||||||||||
12 | QW.1000.25 | 1104 | 892 | 78 | 1064 | 936 | 24 | 22 | M20 | 36 | 2 | 10 | 58 | 8 | 1152 | 143 | 182 |
QW.1000.25A | 10 | 1160 | 115 | 185 | |||||||||||||
13 | QW.1000.32 | 1120 | 876 | 90 | 1074 | 926 | 24 | 24 | M22 | 40 | 2 | 10 | 70 | 8 | 1160 | 144 | 227 |
QW.1000.32A | 10 | 1170 | 116 | 232 | |||||||||||||
14 | QW.1120.32 | 1240 | 996 | 90 | 1194 | 1046 | 28 | 24 | M22 | 40 | 4 | 10 | 70 | 10 | 1300 | 129 | 272 |
QW.1120.32a | 12 | 1308 | 108 | 275 | |||||||||||||
15 | QW.1250.32 | 1370 | 1126 | 90 | 1324 | 1176 | 32 | 24 | M22 | 40 | 4 | 10 | 70 | 10 | 1430 | 142 | 302 |
QW.1250.32A | 12 | 1440 | 119 | 309 | |||||||||||||
16 | QW.1400.32 | 1520 | 1276 | 90 | 1474 | 1326 | 36 | 24 | M22 | 40 | 4 | 10 | 70 | 12 | 1584 | 131 | 337 |
QW.1400.32A | 14 | 1596 | 113 | 347 | |||||||||||||
17 | QW.1250.40 | 1390 | 1108 | 102 | 1336 | 1164 | 32 | 26 | M24 | 45 | 4 | 12 | 80 | 10 | 1450 | 144 | 396 |
QW.1250.40A | 12 | 1452 | 120 | 392 | |||||||||||||
18 | QW.1400.40 | 1540 | 1258 | 102 | 1486 | 1314 | 36 | 26 | M24 | 45 | 4 | 12 | 80 | 12 | 1608 | 133 | 448 |
QW.1400.40A | 14 | 1610 | 114 | 443 | |||||||||||||
19 | QW.1600.40 | 1740 | 1458 | 102 | 1686 | 1514 | 40 | 26 | M24 | 45 | 4 | 12 | 80 | 12 | 1812 | 150 | 528 |
QW.1600.40A | 14 | 1820 | 129 | 534 | |||||||||||||
20 | QW.1800.40 | 1940 | 1658 | 102 | 1886 | 1714 | 44 | 26 | M24 | 45 | 4 | 12 | 80 | 14 | 2016 | 143 | 583 |
QW.1800.40A | 16 | 2032 | 126 | 607 | |||||||||||||
21 | QW.1600.50 | 1762 | 1434 | 124 | 1704 | 1496 | 40 | 30 | M27 | 50 | 4 | 12 | 100 | 12 | 1824 | 151 | 714 |
QW.1600.50A | 14 | 1834 | 130 | 727 | |||||||||||||
22 | QW.1800.50 | 1964 | 1634 | 124 | 1904 | 1696 | 44 | 30 | M27 | 50 | 4 | 12 | 100 | 14 | 2044 | 145 | 845 |
QW.1800.50A | 16 | 2048 | 127 | 843 | |||||||||||||
23 | QW.2000.50 | 2162 | 1834 | 124 | 2104 | 1896 | 48 | 30 | M27 | 50 | 6 | 12 | 100 | 16 | 2240 | 139 | 912 |
QW.2000.50A | 18 | 2250 | 124 | 927 | |||||||||||||
24 | QW.2240.50 | 2402 | 2074 | 124 | 2344 | 2136 | 54 | 30 | M27 | 50 | 6 | 12 | 100 | 16 | 2480 | 154 | 1020 |
QW.2240.50a | 18 | 2502 | 138 | 1078 | |||||||||||||
25 | QW.2500.50 | 2662 | 2334 | 124 | 2604 | 2396 | 60 | 30 | M27 | 50 | 6 | 12 | 100 | 18 | 2754 | 152 | 1171 |
QW.2500.50A | 20 | 2760 | 137 | 1175 | |||||||||||||
26 | QW.2500.60 | 2696 | 2304 | 150 | 2626 | 2374 | 60 | 33 | M30 | 56 | 6 | 14 | 122 | 18 | 2790 | 154 | 1677 |
QW.2500.60A | 20 | 2800 | 139 | 1701 | |||||||||||||
Notă:
1. N1 este numărul de găuri lubrifiante. Cupa de ulei M10 × 1JB/T7940.1 ~ JB/T7940.
2. Sfarcul uleiului Locația poate fi modificată în funcție de aplicația utilizatorului.
3. N-φ se poate schimba în gaura tapetată, diametrul găurii atinse este m, iar adâncimea este de 2m.
4. Forța tangențială a dintelui sub formă este forța maximă a dinților; Forța nominală a dinților tangențiale este 1/2 din cea maximă.
5. "k " este coeficientul de reducere a addendumului.
Avantajele noastre:
Tehnologia Germaniei și făcută în china cu o calitate bună și preț competitiv;
Experiență bogată în OEM și ODM;
livrare stabilă și rapidă;
Serviciul după vânzare prompt și responsabil;
Certificat de ISO9001: 2008, SGS, CCS și BV.
Ambalaje și transport
1. Fuilarea cu ulei rezistent la rugină
2. Pachetul cu straturi de protecție
3.Fixat în placaj
4. Termeni de ambalare: caz de placaj/ Cadru de palet/oțel
FAQ
1.Slewing poartă tratament termic
Rulmenții companiei XZWD sunt în majoritatea cazurilor furnizate cu dinte Spur. Dintii de ciot sunt, de asemenea, ok. Există două tipuri de întărire a dinților. Ele normalizează și temperează, în funcție de diferitele aplicații, există două moduri de stingere. Sunt stingerea dinților întregi și stingerea cu un singur dinți. Stingerea cu un singur dinți poate fi împărțită în suprafața dinților și stingerea rădăcinii și stingerea suprafeței dinților.
2. Protecția împotriva coroziunii
Facem Protecția împotriva coroziunii pe suprafața rulmentului și faceți cuplu de hârtie de ambalare.
3.Customizează.
Da, avem profesionist termeni tehnici.
4.Warranty:
General 1 an.
5. Reputație fiabilă.
XZWD Slewing Rulment/Slewing Drive Oferă soluții personalizate pentru clienții din 34 de țări.
Acasă | Despre noi | Produse | Știri | cerere | A sustine | Contacteaza-ne
