| Starea de disponibilitate: | |
|---|---|
| Cantitate: | |
A rulment de lovire sau Culmură [ing] inel este o rotațierulment cu element de rulare sau rulment simplu Acest lucru acceptă de obicei o sarcină grea, dar lentă sau care se ocupă lent, de multe ori o platformă orizontală, cum ar fi un convențional macara, A Swing Yardersau platforma orientată spre vânt a unei axe orizontale moara de vant. (La "slew " înseamnă a se întoarce fără schimbarea locului.)
În comparație cu alte rulmenți cu elemente de rulare, rulmenții de lingură sunt subțiri în secțiune și sunt adesea făcute în diametre de un metru sau mai mult; rulmenții care se înclină de pe Roata Falkirk au 4 metri diametru și se potrivesc peste un ax de 3,5 metri. Rulmenții care se aseamănă cu rulmenții de suprafață de control al aeronavelor supradimensionate.
Rulmenții care folosesc deseori folosesc două rânduri de elemente rulante. De multe ori folosesc trei rasă elemente, cum ar fi un inel interior și două inel exterior "jumătate " care se strâng axial.
Rulmenții de lingură sunt adesea realizate cu dinții de viteze integrale cu cursa interioară sau exterioară, folosite pentru a conduce platforma în raport cu baza.
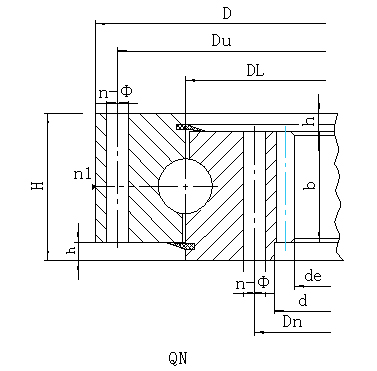
NU | Model | Dimensiuni de montare (mm) | Structural (mm) | Date de viteză | |||||||||||||
Intern Angrenaj | H | Du | DN | n | Prin gaură A | Filetat gaură B/c/d | n1oil ceașcă Qty | h | B | m | x =+0,5 | ||||||
de | Angrenaj Qty z | Greutate | |||||||||||||||
D | d | φ | D1 | T | |||||||||||||
mm | mm | mm | mm | kg | |||||||||||||
1 | Qn.315.20 | 408 | 224 | 60 | 370 | 260 | 10 | 17 | M16 | 24 | 2 | 10 | 40 | 3 | 207 | 70 | 34 |
4 | 200 | 51 | 35 | ||||||||||||||
2 | QN.355.20 | 448 | 264 | 60 | 410 | 300 | 10 | 17 | M16 | 24 | 2 | 10 | 40 | 3 | 246 | 84 | 39 |
4 | 240 | 61 | 40 | ||||||||||||||
3 | QN.400.20 | 493 | 310 | 60 | 455 | 345 | 12 | 17 | M16 | 24 | 2 | 10 | 40 | 4 | 288 | 73 | 44 |
5 | 280 | 57 | 46 | ||||||||||||||
4 | QN.450.20 | 543 | 360 | 60 | 505 | 395 | 12 | 17 | M16 | 24 | 2 | 10 | 40 | 4 | 336 | 85 | 50 |
5 | 330 | 67 | 52 | ||||||||||||||
5 | QN.500.20 | 593 | 410 | 60 | 555 | 445 | 14 | 17 | M16 | 24 | 2 | 10 | 40 | 5 | 385 | 78 | 55 |
6 | 378 | 64 | 57 | ||||||||||||||
6 | QN.560.20 | 656 | 468 | 70 | 618 | 502 | 14 | 17 | M16 | 30 | 2 | 10 | 50 | 4 | 440 | 111 | 76 |
5 | 435 | 88 | 77 | ||||||||||||||
7 | QN.630.20 | 726 | 538 | 70 | 688 | 572 | 16 | 17 | M16 | 30 | 2 | 10 | 50 | 4 | 512 | 129 | 84 |
5 | 505 | 102 | 86 | ||||||||||||||
8 | QN.710.20 | 806 | 618 | 70 | 768 | 652 | 18 | 17 | M16 | 30 | 2 | 10 | 50 | 5 | 585 | 118 | 97 |
6 | 582 | 98 | 97 | ||||||||||||||
9 | QN.800.20 | 896 | 708 | 70 | 858 | 742 | 20 | 17 | M16 | 30 | 2 | 10 | 50 | 6 | 672 | 113 | 110 |
8 | 664 | 84 | 111 | ||||||||||||||
10 | QN.800.25 | 908 | 694 | 78 | 864 | 736 | 18 | 22 | M20 | 36 | 2 | 10 | 58 | 6 | 654 | 110 | 142 |
8 | 648 | 82 | 142 | ||||||||||||||
11 | QN.900.25 | 1008 | 794 | 78 | 964 | 836 | 20 | 22 | M20 | 36 | 2 | 10 | 58 | 8 | 744 | 94 | 163 |
10 | 740 | 75 | 162 | ||||||||||||||
12 | Qn.1000.25 | 1108 | 894 | 78 | 1064 | 936 | 24 | 22 | M20 | 36 | 2 | 10 | 58 | 8 | 848 | 107 | 178 |
Qn.1000.25a | 10 | 840 | 85 | 179 | |||||||||||||
13 | Qn.1000.32 | 1124 | 880 | 90 | 1074 | 926 | 24 | 24 | M22 | 40 | 2 | 10 | 70 | 8 | 832 | 105 | 230 |
10 | 830 | 84 | 227 | ||||||||||||||
14 | QN.1120.32 | 1244 | 1000 | 90 | 1194 | 1046 | 28 | 24 | M22 | 40 | 4 | 10 | 70 | 10 | 940 | 95 | 263 |
12 | 936 | 79 | 262 | ||||||||||||||
15 | Qn.1250.32 | 1374 | 1130 | 90 | 1324 | 1176 | 32 | 24 | M22 | 40 | 4 | 10 | 70 | 10 | 1070 | 108 | 294 |
Qn.1250.32a | 12 | 1068 | 90 | 290 | |||||||||||||
16 | QN.1400.32 | 1524 | 1280 | 90 | 1474 | 1326 | 36 | 24 | M22 | 40 | 4 | 10 | 70 | 12 | 1212 | 102 | 333 |
QN.1400.32A | 14 | 1204 | 87 | 336 | |||||||||||||
17 | QN.1250.40 | 1394 | 1110 | 102 | 1336 | 1164 | 32 | 26 | M24 | 45 | 4 | 12 | 80 | 10 | 1050 | 106 | 388 |
12 | 1044 | 88 | 388 | ||||||||||||||
18 | QN.1400.40 | 1544 | 1260 | 102 | 1486 | 1314 | 36 | 26 | M24 | 45 | 4 | 12 | 80 | 12 | 1188 | 100 | 444 |
14 | 1190 | 86 | 434 | ||||||||||||||
19 | QN.1600.40 | 1744 | 1460 | 102 | 1686 | 1514 | 40 | 26 | M24 | 45 | 4 | 12 | 80 | 12 | 1392 | 117 | 509 |
QN.1600.40A | 14 | 1386 | 100 | 511 | |||||||||||||
20 | QN.1800.40 | 1944 | 1660 | 102 | 1886 | 1714 | 44 | 26 | M24 | 45 | 4 | 12 | 80 | 14 | 1582 | 114 | 576 |
QN.1800.40A | 16 | 1568 | 99 | 591 | |||||||||||||
21 | QN.1600.50 | 1766 | 1438 | 124 | 1704 | 1496 | 40 | 30 | M27 | 50 | 4 | 12 | 100 | 12 | 1368 | 115 | 714 |
14 | 1358 | 98 | 723 | ||||||||||||||
22 | QN.1800.50 | 1966 | 1638 | 124 | 1904 | 1696 | 44 | 30 | M27 | 50 | 4 | 12 | 100 | 14 | 1568 | 113 | 794 |
16 | 1552 | 98 | 818 | ||||||||||||||
23 | QN.2000.50 | 2166 | 1842 | 124 | 2104 | 1896 | 48 | 30 | M27 | 50 | 6 | 12 | 100 | 16 | 1760 | 111 | 891 |
Qn.2000.50a | 18 | 1746 | 98 | 913 | |||||||||||||
24 | QN.2240.50 | 2406 | 2078 | 124 | 2344 | 2136 | 54 | 30 | M27 | 50 | 6 | 12 | 100 | 16 | 1984 | 125 | 1044 |
QN.2240.50a | 18 | 1980 | 111 | 1041 | |||||||||||||
25 | QN.2500.50 | 2666 | 2342 | 124 | 2604 | 2396 | 60 | 30 | M27 | 50 | 6 | 12 | 100 | 18 | 2250 | 126 | 1132 |
QN.2500.50A | 20 | 2240 | 113 | 1148 | |||||||||||||
26 | QN.2500.60 | 2696 | 2308 | 150 | 2626 | 2374 | 60 | 33 | M30 | 56 | 6 | 14 | 122 | 18 | 2214 | 124 | 1621 |
QN.2500.60A | 20 | 2200 | 111 | 1654 | |||||||||||||
Notă:
1. N1 este numărul de găuri lubrifiante. Cupa de ulei M10 × 1JB/T7940.1 ~ JB/T7940.
2. Locația sfarcului uleiului poate fi modificată în funcție de aplicația utilizatorului.
3. N-φ se poate schimba în gaura tapetată, diametrul găurii atinse este m, iar adâncimea este de 2m.
4. Forța tangențială a dintelui sub formă este forța maximă a dinților; Forța nominală a dinților tangențiale este 1/2 din cea maximă.
5. "k " este coeficientul de reducere a addendumului.
Avantajele noastre:
Tehnologia Germaniei și făcută în china cu o calitate bună și preț competitiv;
Experiență bogată în OEM și ODM;
livrare stabilă și rapidă;
Serviciul după vânzare prompt și responsabil;
Certificat de ISO9001: 2008, SGS, CCS și BV.
Ambalaje și transport
1. Fuilarea cu ulei rezistent la rugină
2. Pachetul cu straturi de protecție
3.Fixat în placaj
4. Termeni de ambalare: caz de placaj/ Cadru de palet/oțel
FAQ
1.Slewing poartă tratament termic
Xuzhou Rulmenții companiei Wanda sunt în majoritatea cazurilor furnizate cu Spur dinte. Dintii de ciot sunt, de asemenea, ok. Există două tipuri de întărire a dinților. Normalizează și tempera, în funcție de diferiți Aplicații, există două moduri de stingere. Sunt dinte întregi stingerea și stingerea cu un singur dinți. Stingerea cu un singur dinți poate fi împărțit în suprafața dinților și stingerea rădăcinii și suprafața dinților stingerea.
2. Protecția împotriva coroziunii
Facem Protecția împotriva coroziunii pe suprafața rulmentului și faceți cuplu de hârtie de ambalare.
3.Customizează.
Da, avem profesionist termeni tehnici.
4.Warranty:
General 1 an.
5. Reputație fiabilă.
WANDA Slewing Rulment/Slewing Drive Oferă soluții personalizate pentru clienții din 34 de țări.
A rulment de lovire sau Culmură [ing] inel este o rotațierulment cu element de rulare sau rulment simplu Acest lucru acceptă de obicei o sarcină grea, dar lentă sau care se ocupă lent, de multe ori o platformă orizontală, cum ar fi un convențional macara, A Swing Yardersau platforma orientată spre vânt a unei axe orizontale moara de vant. (La "slew " înseamnă a se întoarce fără schimbarea locului.)
În comparație cu alte rulmenți cu elemente de rulare, rulmenții de lingură sunt subțiri în secțiune și sunt adesea făcute în diametre de un metru sau mai mult; rulmenții care se înclină de pe Roata Falkirk au 4 metri diametru și se potrivesc peste un ax de 3,5 metri. Rulmenții care se aseamănă cu rulmenții de suprafață de control al aeronavelor supradimensionate.
Rulmenții care folosesc deseori folosesc două rânduri de elemente rulante. De multe ori folosesc trei rasă elemente, cum ar fi un inel interior și două inel exterior "jumătate " care se strâng axial.
Rulmenții de lingură sunt adesea realizate cu dinții de viteze integrale cu cursa interioară sau exterioară, folosite pentru a conduce platforma în raport cu baza.
NU | Model | Dimensiuni de montare (mm) | Structural (mm) | Date de viteză | |||||||||||||
Intern Angrenaj | H | Du | DN | n | Prin gaură A | Filetat gaură B/c/d | n1oil ceașcă Qty | h | B | m | x =+0,5 | ||||||
de | Angrenaj Qty z | Greutate | |||||||||||||||
D | d | φ | D1 | T | |||||||||||||
mm | mm | mm | mm | kg | |||||||||||||
1 | Qn.315.20 | 408 | 224 | 60 | 370 | 260 | 10 | 17 | M16 | 24 | 2 | 10 | 40 | 3 | 207 | 70 | 34 |
4 | 200 | 51 | 35 | ||||||||||||||
2 | QN.355.20 | 448 | 264 | 60 | 410 | 300 | 10 | 17 | M16 | 24 | 2 | 10 | 40 | 3 | 246 | 84 | 39 |
4 | 240 | 61 | 40 | ||||||||||||||
3 | QN.400.20 | 493 | 310 | 60 | 455 | 345 | 12 | 17 | M16 | 24 | 2 | 10 | 40 | 4 | 288 | 73 | 44 |
5 | 280 | 57 | 46 | ||||||||||||||
4 | QN.450.20 | 543 | 360 | 60 | 505 | 395 | 12 | 17 | M16 | 24 | 2 | 10 | 40 | 4 | 336 | 85 | 50 |
5 | 330 | 67 | 52 | ||||||||||||||
5 | QN.500.20 | 593 | 410 | 60 | 555 | 445 | 14 | 17 | M16 | 24 | 2 | 10 | 40 | 5 | 385 | 78 | 55 |
6 | 378 | 64 | 57 | ||||||||||||||
6 | QN.560.20 | 656 | 468 | 70 | 618 | 502 | 14 | 17 | M16 | 30 | 2 | 10 | 50 | 4 | 440 | 111 | 76 |
5 | 435 | 88 | 77 | ||||||||||||||
7 | QN.630.20 | 726 | 538 | 70 | 688 | 572 | 16 | 17 | M16 | 30 | 2 | 10 | 50 | 4 | 512 | 129 | 84 |
5 | 505 | 102 | 86 | ||||||||||||||
8 | QN.710.20 | 806 | 618 | 70 | 768 | 652 | 18 | 17 | M16 | 30 | 2 | 10 | 50 | 5 | 585 | 118 | 97 |
6 | 582 | 98 | 97 | ||||||||||||||
9 | QN.800.20 | 896 | 708 | 70 | 858 | 742 | 20 | 17 | M16 | 30 | 2 | 10 | 50 | 6 | 672 | 113 | 110 |
8 | 664 | 84 | 111 | ||||||||||||||
10 | QN.800.25 | 908 | 694 | 78 | 864 | 736 | 18 | 22 | M20 | 36 | 2 | 10 | 58 | 6 | 654 | 110 | 142 |
8 | 648 | 82 | 142 | ||||||||||||||
11 | QN.900.25 | 1008 | 794 | 78 | 964 | 836 | 20 | 22 | M20 | 36 | 2 | 10 | 58 | 8 | 744 | 94 | 163 |
10 | 740 | 75 | 162 | ||||||||||||||
12 | Qn.1000.25 | 1108 | 894 | 78 | 1064 | 936 | 24 | 22 | M20 | 36 | 2 | 10 | 58 | 8 | 848 | 107 | 178 |
Qn.1000.25a | 10 | 840 | 85 | 179 | |||||||||||||
13 | Qn.1000.32 | 1124 | 880 | 90 | 1074 | 926 | 24 | 24 | M22 | 40 | 2 | 10 | 70 | 8 | 832 | 105 | 230 |
10 | 830 | 84 | 227 | ||||||||||||||
14 | QN.1120.32 | 1244 | 1000 | 90 | 1194 | 1046 | 28 | 24 | M22 | 40 | 4 | 10 | 70 | 10 | 940 | 95 | 263 |
12 | 936 | 79 | 262 | ||||||||||||||
15 | Qn.1250.32 | 1374 | 1130 | 90 | 1324 | 1176 | 32 | 24 | M22 | 40 | 4 | 10 | 70 | 10 | 1070 | 108 | 294 |
Qn.1250.32a | 12 | 1068 | 90 | 290 | |||||||||||||
16 | QN.1400.32 | 1524 | 1280 | 90 | 1474 | 1326 | 36 | 24 | M22 | 40 | 4 | 10 | 70 | 12 | 1212 | 102 | 333 |
QN.1400.32A | 14 | 1204 | 87 | 336 | |||||||||||||
17 | QN.1250.40 | 1394 | 1110 | 102 | 1336 | 1164 | 32 | 26 | M24 | 45 | 4 | 12 | 80 | 10 | 1050 | 106 | 388 |
12 | 1044 | 88 | 388 | ||||||||||||||
18 | QN.1400.40 | 1544 | 1260 | 102 | 1486 | 1314 | 36 | 26 | M24 | 45 | 4 | 12 | 80 | 12 | 1188 | 100 | 444 |
14 | 1190 | 86 | 434 | ||||||||||||||
19 | QN.1600.40 | 1744 | 1460 | 102 | 1686 | 1514 | 40 | 26 | M24 | 45 | 4 | 12 | 80 | 12 | 1392 | 117 | 509 |
QN.1600.40A | 14 | 1386 | 100 | 511 | |||||||||||||
20 | QN.1800.40 | 1944 | 1660 | 102 | 1886 | 1714 | 44 | 26 | M24 | 45 | 4 | 12 | 80 | 14 | 1582 | 114 | 576 |
QN.1800.40A | 16 | 1568 | 99 | 591 | |||||||||||||
21 | QN.1600.50 | 1766 | 1438 | 124 | 1704 | 1496 | 40 | 30 | M27 | 50 | 4 | 12 | 100 | 12 | 1368 | 115 | 714 |
14 | 1358 | 98 | 723 | ||||||||||||||
22 | QN.1800.50 | 1966 | 1638 | 124 | 1904 | 1696 | 44 | 30 | M27 | 50 | 4 | 12 | 100 | 14 | 1568 | 113 | 794 |
16 | 1552 | 98 | 818 | ||||||||||||||
23 | QN.2000.50 | 2166 | 1842 | 124 | 2104 | 1896 | 48 | 30 | M27 | 50 | 6 | 12 | 100 | 16 | 1760 | 111 | 891 |
Qn.2000.50a | 18 | 1746 | 98 | 913 | |||||||||||||
24 | QN.2240.50 | 2406 | 2078 | 124 | 2344 | 2136 | 54 | 30 | M27 | 50 | 6 | 12 | 100 | 16 | 1984 | 125 | 1044 |
QN.2240.50a | 18 | 1980 | 111 | 1041 | |||||||||||||
25 | QN.2500.50 | 2666 | 2342 | 124 | 2604 | 2396 | 60 | 30 | M27 | 50 | 6 | 12 | 100 | 18 | 2250 | 126 | 1132 |
QN.2500.50A | 20 | 2240 | 113 | 1148 | |||||||||||||
26 | QN.2500.60 | 2696 | 2308 | 150 | 2626 | 2374 | 60 | 33 | M30 | 56 | 6 | 14 | 122 | 18 | 2214 | 124 | 1621 |
QN.2500.60A | 20 | 2200 | 111 | 1654 | |||||||||||||
Notă:
1. N1 este numărul de găuri lubrifiante. Cupa de ulei M10 × 1JB/T7940.1 ~ JB/T7940.
2. Locația sfarcului uleiului poate fi modificată în funcție de aplicația utilizatorului.
3. N-φ se poate schimba în gaura tapetată, diametrul găurii atinse este m, iar adâncimea este de 2m.
4. Forța tangențială a dintelui sub formă este forța maximă a dinților; Forța nominală a dinților tangențiale este 1/2 din cea maximă.
5. "k " este coeficientul de reducere a addendumului.
Avantajele noastre:
Tehnologia Germaniei și făcută în china cu o calitate bună și preț competitiv;
Experiență bogată în OEM și ODM;
livrare stabilă și rapidă;
Serviciul după vânzare prompt și responsabil;
Certificat de ISO9001: 2008, SGS, CCS și BV.
Ambalaje și transport
1. Fuilarea cu ulei rezistent la rugină
2. Pachetul cu straturi de protecție
3.Fixat în placaj
4. Termeni de ambalare: caz de placaj/ Cadru de palet/oțel
FAQ
1.Slewing poartă tratament termic
Xuzhou Rulmenții companiei Wanda sunt în majoritatea cazurilor furnizate cu Spur dinte. Dintii de ciot sunt, de asemenea, ok. Există două tipuri de întărire a dinților. Normalizează și tempera, în funcție de diferiți Aplicații, există două moduri de stingere. Sunt dinte întregi stingerea și stingerea cu un singur dinți. Stingerea cu un singur dinți poate fi împărțit în suprafața dinților și stingerea rădăcinii și suprafața dinților stingerea.
2. Protecția împotriva coroziunii
Facem Protecția împotriva coroziunii pe suprafața rulmentului și faceți cuplu de hârtie de ambalare.
3.Customizează.
Da, avem profesionist termeni tehnici.
4.Warranty:
General 1 an.
5. Reputație fiabilă.
WANDA Slewing Rulment/Slewing Drive Oferă soluții personalizate pentru clienții din 34 de țări.
Acasă | Despre noi | Produse | Știri | cerere | A sustine | Contacteaza-ne
